Language
中文
English
首页
关于我们
产品中心
隔膜式蓄能器
KHB、KHM 系列高压球阀
KHB3K系列三通高压球阀
KHP系列板式球阀
KHP3K系列板式三通球阀
KHB-F3/6、KHM-F3/6系列SAE法兰式高压球阀
KHB、KHM系列法兰式液压球阀
BKH-SAE、MKH-SAE系列高压球阀
SAE 法兰式球阀
SAE 法兰式球阀
BKH-SAE-FS、MKH-SAE-FS系列高压球阀
BKH-SAEFS-L、MKH-SAEFS-Lu系列高压球阀
KHSAE固定法兰式球阀
KHZ系列SAE法兰式球阀
KHISO法兰连接式球阀
YJZQ 系列高压球阀
QJH系列高压球阀
CJZQ 系列高压球阀
JZQ 系列高压球阀
Q1INS、QFINS 系列球阀
KHNV 系列球阀
VH2V、VH3V系列高压球阀
LF 型节流阀
JZFS型高压液压截止阀
JZF或YJF高压截止阀
QDF 型球式电磁换向阀
DIF、A-Ha及D-Ha型直通单向阀
DIF、A-Ha及D-Ha型直通单向阀
PT系列测压接头
HB 系列微型高压软管接头总成
CDZ 型充氨车
CQJ系列充气工具
FPU箱式充气(氮)工具
QXF-5充气阀
NXQ系列蓄能器
NXQ系列蓄能器胶囊
蓄能器坚固箍
蓄能器支座
AQF型蓄能器安全球阀
AJS、AJ1S、AJD型蓄能器安全控制阀组
QFZ型蓄能器控制阀组
XJF型蓄能器截止阀
SAF 蓄能器安全截止阀块
新闻资讯
公司新闻
行业资讯
下载
联系我们
网站首页
关于我们
产品中心
新闻资讯
联系我们
ENGLISH
产品中心
首页
产品中心
QFZ型蓄能器控制阀组
隔膜式蓄能器
KHB、KHM 系列高压球阀
KHB3K系列三通高压球阀
KHP系列板式球阀
KHP3K系列板式三通球阀
KHB-F3/6、KHM-F3/6系列SAE法兰式高压球阀
KHB、KHM系列法兰式液压球阀
QJH系列高压球阀
QFZ Type Control Group Walve for Accumulator
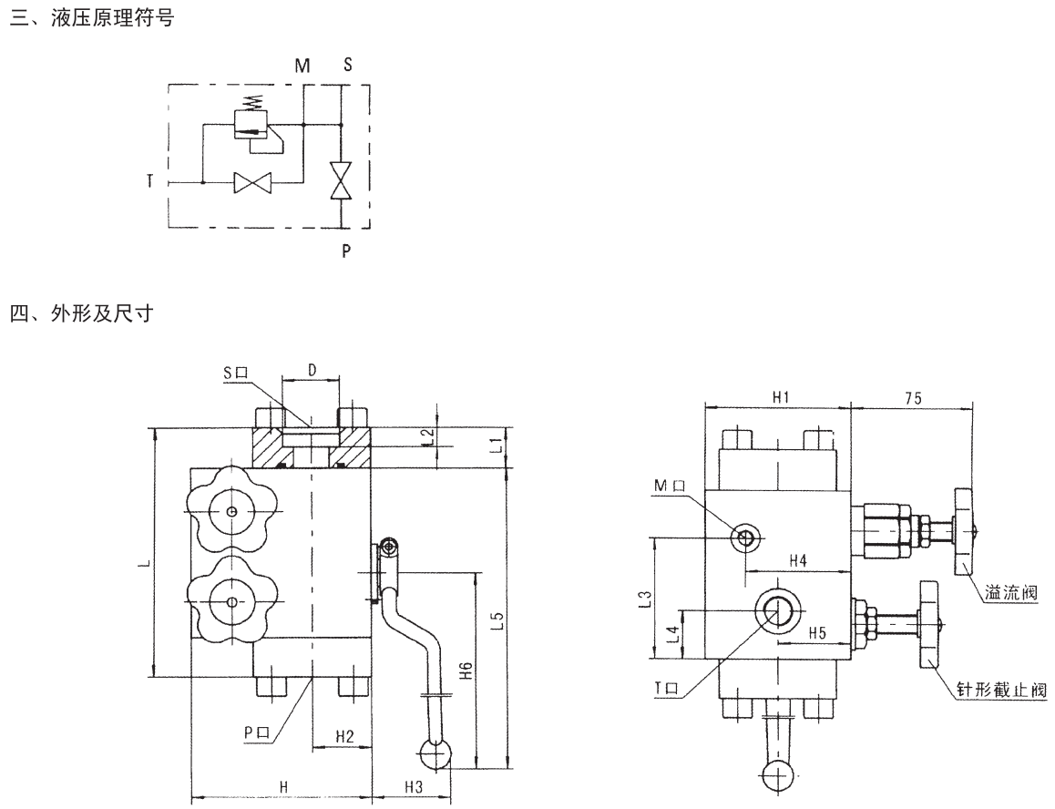
QFZ型蓄能器控制阀组
产品详情
Product inquiry
inquiry Now
关于我们
公司简介
生产设备
新闻资讯
产品中心
隔膜式蓄能器
KHB、KHM 系列高压球阀
KHB3K系列三通高压球阀
KHP系列板式球阀
KHP3K系列板式三通球阀
KHB-F3/6、KHM-F3/6系列SAE法兰式高压球阀
新闻资讯
公司新闻
行业资讯
联系我们
国际贸易部
TEL:0086-574-88900766
FAX:0086-574-88900766
国内业务部
TEL:0086-574-88900768
FAX:0086-574-88900766
邮箱:zhaofeng315@126.com
地址: 浙江省宁波市奉化区经济开发区东江路88号
Copyright © 2023 宁波圣瑞液压机械有限公司 All rights reserved
TOP
Field 'tiem' doesn't have a default value