Language
  • HOME
  • ABOUT US
  • PRODUCTS
    Diaphragm accumulator
    KHB、KHM Series High Pressure Ball Valve
    KHB、KHM Series Three-way high pressure ball Valve
    KHP Series Plate ball Valve
    KHP3K Series Plate type three-way ball valve
    KHB-F3/6、KHM-F3/6 Series SAE Flange Type High Pressure Ball Valve
    KHB、KHM Series Flange Type High Pressure Ball Valve
    BKH-SAE、MKH-SAE Series High Pressure Ball Valve
    SAE Pressure Ball Valve
    SAE Pressure Ball Valve
    BKH-SAE-FS、MKH-SAE-FS series flanged ball valve
    BKH-SAEFS-Lu, MKH-SAEFS-Lu series flanged ball valve
    KHSAE Fixed flanged ball valve
    Series SAE flanged ball valve KHZ
    KH ISO Flanged ball valve
    YJZO Series High pressure ball valve
    QJH Series High pressure ball valve
    CJZO Series High ressure Ball Valve
    JZQ Series High pressure ball valve
    Q1INS、QFINS Series ball valve
    KHNV Series Low Pressure Ball Valve
    VH2V、VH3V Series High Pressure Ball Valve
    LF Type F throttle valve
    JZFS Type High pressure hydraulic globe valve
    JZF or JZF high pressure globe valves
    QDF Ball type electromagnetic directional valve
    DIF of A-Ha or D-Ha Type Straight Check Valve
    DIF of A-Ha or D-Ha Type Straight Check Valve
    PT Series TestingCoupier
    HB Series miniature high-pressure hose connector assembly
    CDZ type nitrogen filling vehicle
    CQJ series inflatable tools
    FPU Box Type N2 Charging Tool
    QXF-5 Inflatable valve
    NXQ Series accumulator
    NXQ Series accumulator capsules
    Accumulator firm hoop
    Accumulator support
    AQF Type Accumulator Safety Ball Valve
    AJS、AJ1S、AJD Type Accumulator Safety Group Valve
    QFZ Type Control Group Walve for Accumulator
    XJF Type Accumulator stop valve
    SAF Accumulator safety cut-off valve block
  • NEWS
  • DOWNLOAD
  • CONTACT US
  • Home
  • About Us
  • Products
  • News
  • Contact Us
  • 中文
  • PRODUCTS

    Home Products KHSAE Fixed flanged ball valve

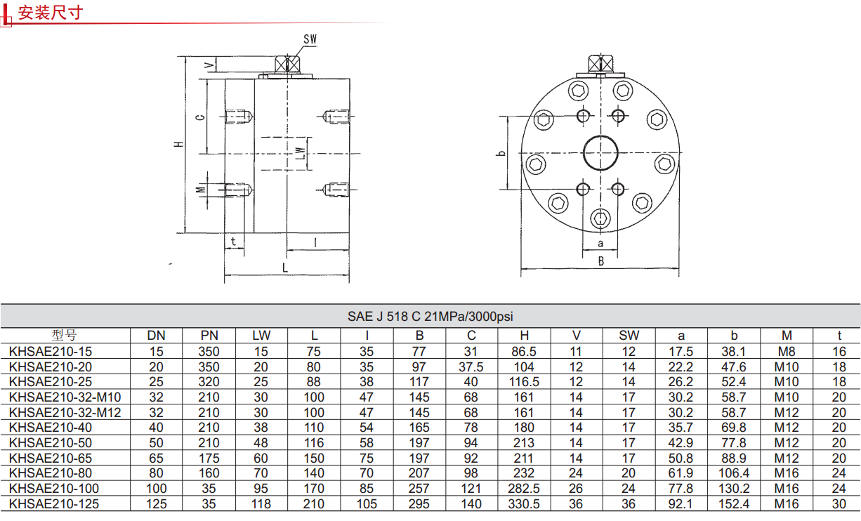
    KHSAE Fixed flanged ball valve

    KHSAE Fixed flanged ball valve

    The KHSAE series flange ball valve is a two position two way valve that uses SAE standards, with pressure ratings of 210 bar and 420 bar.

    product details

    image.png

    image.png

    image.png



    Product inquiry

    CONTACT US

    International Trade Department
    TEL:0086-574-88900766
    FAX:0086-574-88900766
    Domestic Business Department
    TEL:0086-574-88900768
    FAX:0086-574-88900766
    E-mail:zhaofeng315@126.com
    Address: No. 88 Dongjiang Road, Economic Development Zone, Fenghua District, Ningbo City, Zhejiang Province
    Copyright © 2023 Ningbo Shengrui Hydraulic Machinery Co.,LTD. All rights reserved
    Field 'tiem' doesn't have a default value